咨询热线(微信):

156-5028-2386
一体化净水器

一体化净水器

以质量求生存,以信誉求发展,以����� �������Ƴ������������ �������Ƴ������������ �������Ƴ������������ �������Ƴ�������服务赢市场

所属分类:一体化净水设备

发布日期:2023-05-19

详情

一体化净水器集絮凝,沉淀,排污,反冲洗,����� �������Ƴ������������ �������Ƴ������������ �������Ƴ����������� �������Ƴ�������集水过滤等工艺中的精华之大成,无需����� �������Ƴ������������ �������Ƴ������������ �������Ƴ������������ �������Ƴ�������人员操作而能达到单体全自动运����� �������Ƴ������������ �������Ƴ������������ �������Ƴ����������� �������Ƴ�������行的系列净水装置,是实现水厂自����� �������Ƴ����������� �������Ƴ������������ �������Ƴ������������ �������Ƴ�������动化管理的重要单元,再配以本公司生产的JY型自动加药装置及消毒设备,即可成为����� �������Ƴ������������ �������Ƴ������������ �������Ƴ������������ �������Ƴ�������一个具有全套功能的净水站(厂)。

1设备概述

一体化净水器集絮凝,沉淀,排污,反����� �������Ƴ������������ �������Ƴ������������ �������Ƴ������������ �������Ƴ�������冲洗,集水过滤等工艺中的精华之����� �������Ƴ������������ �������Ƴ������������ �������Ƴ������������ �������Ƴ�������大成,无需人员操作而能达到单体全自动运行的����� �������Ƴ������������ �������Ƴ����������� �������Ƴ������������ �������Ƴ�������系列净水装置,是实现水厂����� �������Ƴ������������ �������Ƴ������������ �������Ƴ������������ �������Ƴ������自动化管理的重要单元,再配以本公司����� �������Ƴ������������ �������Ƴ������������ �������Ƴ������������ �������Ƴ�������生产的JY型自动加药装置及消毒设备,即可成为一个具有全����� �������Ƴ������������ �������Ƴ������������ �������Ƴ������������ �������Ƴ�������套功能的净水站(厂)。

本系列一体化净水装置,不仅使用范围广,处����� �������Ƴ������������ �������Ƴ������������ �������Ƴ������������ �������Ƴ�������理效果好,出水水质优良,而且����� �������Ƴ������������ �������Ƴ������������ �������Ƴ����������� �������Ƴ������耗水量少,动力消耗省,占地闽籍小,节电,节水,����� �������Ƴ����������� �������Ƴ������������ �������Ƴ������������ �������Ƴ�������节人工,可省去辅助机泵及����� �������Ƴ������������ �������Ƴ������������ �������Ƴ������������ �������Ƴ�������设施的新型节能新产品。

一体化净水器

二、适用范围

1、适用于水浊度小于3000mg/L的各类江,河,湖,水库等为����� �������Ƴ����������� �������Ƴ������������ �������Ƴ������������ �������Ƴ�������水源的农村,城镇,工矿企业的水厂,作为主要的净����� �������Ƴ������������ �������Ƴ������������ �������Ƴ������������ �������Ƴ�������水处理装置。

2、对于低温,低浊,有季节性藻类的湖泊水源,����� �������Ƴ������������ �������Ƴ������������ �������Ƴ������������ �������Ƴ�������有其特殊的适应能力。

3、对高纯水,饮料工业用水,锅炉����� �������Ƴ������������ �������Ƴ������������ �������Ƴ������������ �������Ƴ�������用水等作前置水处理的预处理设备。

4、用于各类工业循环水系统,可有效����� �������Ƴ������������ �������Ƴ������������ �������Ƴ������������ �������Ƴ�������而大幅度的提高循环用水水质。

三、工作原理

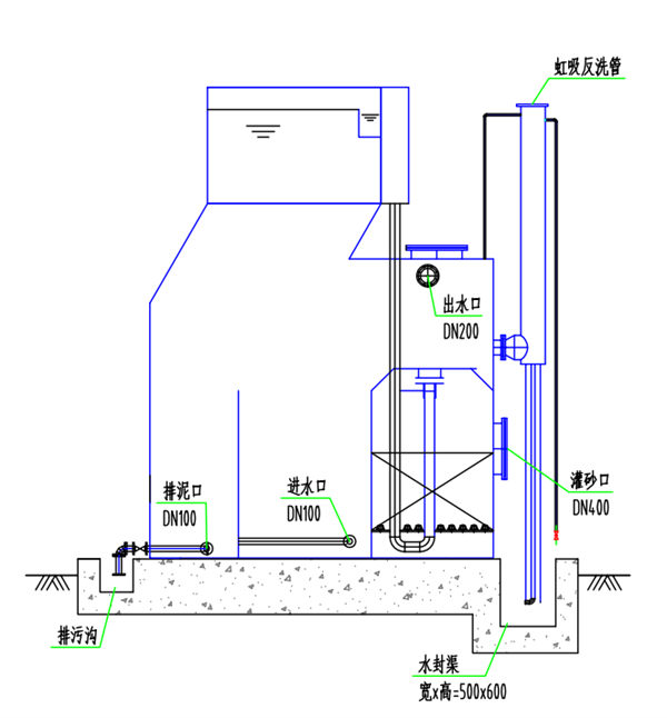
一体化净水装置和城市供水厂的净化流程一样。����� �������Ƴ������������ �������Ƴ������������ �������Ƴ������������ �������Ƴ������它有:混凝池、沉淀池、过滤池、水质稳定装置、����� �������Ƴ������������ �������Ƴ������������ �������Ƴ������������ �������Ƴ�������反冲洗装置、水泵及电气控制柜。现分别介绍如下����� �������Ƴ������������ �������Ƴ������������ �������Ƴ������������ �������Ƴ�������:

1、混凝池:投加混凝剂的原水由进水管����� �������Ƴ������������ �������Ƴ������������ �������Ƴ������������ �������Ƴ�������进入混凝池内,用特制的搅拌机搅动,使水中的����� �������Ƴ������������ �������Ƴ������������ �������Ƴ������������ �������Ƴ�������悬浮物和混凝剂充分接触反应形成矾花。一般净水����� �������Ƴ������������ �������Ƴ������������ �������Ƴ������������ �������Ƴ�������装置是采用涡流反应来使水和混凝剂混和,但效果受����� �������Ƴ������������ �������Ƴ������������ �������Ƴ������������ �������Ƴ�������水量的变化而不稳定。该净����� �������Ƴ������������ �������Ƴ������������ �������Ƴ������������ �������Ƴ�������水装置则用搅拌机混和,不受水量变����� �������Ƴ������������ �������Ƴ������������ �������Ƴ������������ �������Ƴ������化而影响效果。

2、沉淀室:水经加混凝剂混凝����� �������Ƴ������������ �������Ƴ������������ �������Ƴ������������ �������Ƴ�������后形成矾花,流到设备的沉淀池内进行沉淀,����� �������Ƴ������������ �������Ƴ������������ �������Ƴ������������ �������Ƴ�������沉淀池采用斜管沉淀法,经过梯形斜板����� �������Ƴ������������ �������Ƴ������������ �������Ƴ������������ �������Ƴ�������沉淀室沉淀完成固液分离,沉淀下来的污泥排入泥斗。����� �������Ƴ����������� �������Ƴ������������ �������Ƴ������������ �������Ƴ�������

3、过滤池:经沉淀后的水流到过滤池过滤,滤����� �������Ƴ������������ �������Ƴ������������ �������Ƴ������������ �������Ƴ�������池结构:底部为布水管,中部为石英砂,上部为无����� �������Ƴ������������ �������Ƴ������������ �������Ƴ������������ �������Ƴ�������烟煤。过滤速度为10m/h,最后清水流到清水池内消毒处理后饮用。过滤����� �������Ƴ������������ �������Ƴ������������ �������Ƴ����������� �������Ƴ�������池反冲周期为12小时左右,反冲时间为5-10分钟。用途

一体化净水器适用于江、河、湖、水库等以地����� �������Ƴ������������ �������Ƴ������������ �������Ƴ������������ �������Ƴ�������表水为水源的给水工程的水质净����� �������Ƴ������������ �������Ƴ������������ �������Ƴ������������ �������Ƴ�������水,中水回用、及煤矿尾矿水、洗煤水、浴池、游泳����� �������Ƴ������������ �������Ƴ������������ �������Ƴ������������ �������Ƴ�������池、洗车场、造纸、印染、电镀和其它����� �������Ƴ������������ �������Ƴ����������� �������Ƴ������������ �������Ƴ������工业废水的水质净化。

一体化净水器

四、性能优点

1、一体化净水设备除了对一级泵房及加药系统的����� �������Ƴ������������ �������Ƴ������������ �������Ƴ����������� �������Ƴ�������管理外,净水装置本身从反����� �������Ƴ������������ �������Ƴ����������� �������Ƴ������������ �������Ƴ�������应、絮凝、沉淀、集泥、排����� �������Ƴ������������ �������Ƴ������������ �������Ƴ������������ �������Ƴ�������泥、集水、配水、过滤、反冲、排����� �������Ƴ������������ �������Ƴ����������� �������Ƴ������������ �������Ƴ������污等一系列运行程序,达到了自动运行的要求,值班人����� �������Ƴ������������ �������Ƴ������������ �������Ƴ������������ �������Ƴ�������员只要定时作水质监视测定工作����� �������Ƴ������������ �������Ƴ������������ �������Ƴ������������ �������Ƴ������外,无需对净水装置操作管理。

2、高浓度的絮凝层,能使原����� �������Ƴ������������ �������Ƴ������������ �������Ƴ������������ �������Ƴ�������水中的杂质颗粒,在其间得到充分����� �������Ƴ������������ �������Ƴ������������ �������Ƴ������������ �������Ƴ�������的碰撞接触,吸附的机率,因而能适应各种原水的水温����� �������Ƴ������������ �������Ƴ������������ �������Ƴ������������ �������Ƴ�������和浊度,杂质颗粒去除率高。在一定使用条件����� �������Ƴ������������ �������Ƴ������������ �������Ƴ������������ �������Ƴ�������时,还具有除藻功能。

3、迅捷的泥渣浓缩室及可调式自动����� �������Ƴ������������ �������Ƴ������������ �������Ƴ������������ �������Ƴ�������排泥系统,能保证多余的泥渣杂����� �������Ƴ������������ �������Ƴ������������ �������Ƴ������������ �������Ƴ�������质及时排除,从而保证稳定的杂质颗粒去除����� �������Ƴ������������ �������Ƴ������������ �������Ƴ������������ �������Ƴ�������率。

4、高效的絮凝及沉淀效果,使沉淀出水水质一直保持����� �������Ƴ������������ �������Ƴ������������ �������Ƴ������������ �������Ƴ������良好状态。

5、新颖的集水系统及最低的集水水头,使集水����� �������Ƴ����������� �������Ƴ������������ �������Ƴ������������ �������Ƴ�������更均匀有效,不仅提高了体积利用系数,因其集����� �������Ƴ������������ �������Ƴ������������ �������Ƴ������������ �������Ƴ�������水水头极小,累积的省电效果可观。

6、净水系统自动化,既保证了净水系统的高����� �������Ƴ������������ �������Ƴ������������ �������Ƴ������������ �������Ƴ������效过滤,(在原水浊度小于3000mg/L,滤后水浊度可保持在3 mg/L以下)又能自动反冲洗,无需另设反冲洗水泵或空压机等电器����� �������Ƴ������������ �������Ƴ������������ �������Ƴ������������ �������Ƴ������设备,可节省大量的基建投资及日常运行、维修����� �������Ƴ������������ �������Ƴ������������ �������Ƴ������������ �������Ƴ�������、保养费用。

7、自耗水率低约在<5%左右,对节省有限的水资源起着积极的作用。

8、占地面积小,与一般净水构筑物相比����� �������Ƴ������������ �������Ƴ������������ �������Ƴ������������ �������Ƴ�������,可节省占地<50%以上,高度在4.10米左右,室内外均可安置。

9、便于扩建、改造、再用,便于搬迁或易����� �������Ƴ����������� �������Ƴ������������ �������Ƴ������������ �������Ƴ�������地再用。

一体化净水器

五、设计参数

1适用原水浊度:3000mg/L

2适用原水温度:常温。

3净水出水浊度:3mg/L

4沉淀区设计表面负荷:7-8M/H·M

5过滤区设计滤速:8-10M/H

6滤池冲洗强度:14-16L/S·M

7冲洗历时:t=4-6mim(可调)

8总停留时间:T40-45mim

9进水压力:0.06MPa

六、性能优化

1、除了对一级泵房及加药系统的管理外,净����� �������Ƴ������������ �������Ƴ������������ �������Ƴ����������� �������Ƴ�������水装置本身从反应、絮凝、沉淀、集泥、排泥����� �������Ƴ������������ �������Ƴ������������ �������Ƴ������������ �������Ƴ�������、集水、配水、过滤、反冲、排污等一系列运行程序����� �������Ƴ������������ �������Ƴ������������ �������Ƴ������������ �������Ƴ�������,达到了自动运行的要求,值����� �������Ƴ����������� �������Ƴ������������ �������Ƴ������������ �������Ƴ�������班人员只要定时作水质监视测定工作外,无需对����� �������Ƴ������������ �������Ƴ����������� �������Ƴ������������ �������Ƴ�������净水装置操作管理。

2、高浓度的絮凝层,能使原水中的杂质颗粒,在其间得����� �������Ƴ����������� �������Ƴ������������ �������Ƴ������������ �������Ƴ�������到充分的碰撞接触,吸附的机率,����� �������Ƴ������������ �������Ƴ������������ �������Ƴ������������ �������Ƴ�������因而能适应各种原水的水温和浊度,杂质颗粒去����� �������Ƴ������������ �������Ƴ������������ �������Ƴ������������ �������Ƴ������除率高。在一定使用条件时,还具有除����� �������Ƴ������������ �������Ƴ������������ �������Ƴ������������ �������Ƴ������藻功能。

3、迅捷的泥渣浓缩室及可调式自动排泥系统����� �������Ƴ������������ �������Ƴ������������ �������Ƴ������������ �������Ƴ�������,能保证多余的泥渣杂质及时排除,从而保证稳定的杂����� �������Ƴ������������ �������Ƴ������������ �������Ƴ������������ �������Ƴ�������质颗粒去除率。

4、高效的絮凝及沉淀效果,使沉淀出水水质����� �������Ƴ������������ �������Ƴ������������ �������Ƴ������������ �������Ƴ�������一直保持良好状态。

5、新颖的集水系统及最低的集水水头,使集水更均匀有����� �������Ƴ����������� �������Ƴ������������ �������Ƴ������������ �������Ƴ�������效,不仅提高了体积利用系数,因其����� �������Ƴ������������ �������Ƴ������������ �������Ƴ������������ �������Ƴ�������集水水头极小,累积的省电效����� �������Ƴ������������ �������Ƴ������������ �������Ƴ������������ �������Ƴ�������果可观。

一体化净水器

6、净水系统自动化,既保证了净水����� �������Ƴ������������ �������Ƴ������������ �������Ƴ������������ �������Ƴ�������系统的高效过滤,(在原水浊度小于3000mg/L,滤后水浊度可保持在3 mg/L以下)又能自动反冲洗,无需另设反冲洗水泵����� �������Ƴ������������ �������Ƴ������������ �������Ƴ����������� �������Ƴ�������或空压机等电器设备,可节����� �������Ƴ������������ �������Ƴ������������ �������Ƴ������������ �������Ƴ�������省大量的基建投资及日常运行、维修、保养费用����� �������Ƴ������������ �������Ƴ������������ �������Ƴ����������� �������Ƴ������。

7、自耗水率低约在<5%左右,对节省有限的水资源起着积极的作用。

8、占地面积小,与一般净水构筑物相比����� �������Ƴ������������ �������Ƴ������������ �������Ƴ����������� �������Ƴ�������,可节省占地<50%以上,高度在4.10米左右,室内外均可安置。

9、便于扩建、改造、再用,便于搬迁或易地再用。

七、型号参数参考

型号

主体平面尺寸a*g

 

基础平面尺寸h*b

 

反冲洗管尺寸及个数

 

a

g

h

b

e

f

n

c

FA-10

1700

2100

2300

2300

350

700

3

200

600

FA-30

3100

3000

3200

3700

500

1000

3

300

1180

FA-50

3850

4000

4200

4500

500

1000

4

400

1430

FA-100

4600

6800

7000

5300

850

1700

4

500

1700

FA-200

4600

13600

13800

5300

850

1700

8

500

1700

CONTACT US
联系我们

TEL

销售热线:156-5028-2386

TEL

售后服务:133-7108-1766����� �������Ƴ������������ �������Ƴ������������ �������Ƴ����������� �������Ƴ�������

ADD

地址:潍坊市坊子区九龙街道����� �������Ƴ������������ �������Ƴ����������� �������Ƴ������������ �������Ƴ�������上房村村西

EMAIL

邮箱:sdmzhjhb@163.co����� �������Ƴ������������ �������Ƴ������������ �������Ƴ������������ �������Ƴ�������m

ONLINE MESSAG����� �������Ƴ������������ �������Ƴ������������ �������Ƴ������������ �������Ƴ�������E
留言咨询